Company Profile
Company Overview
Intelligent Manufacturing
Company Culture
National Standards
Intellectual Property
Honors
Qualifications
Academician Workstation
Contact Us
简体中文
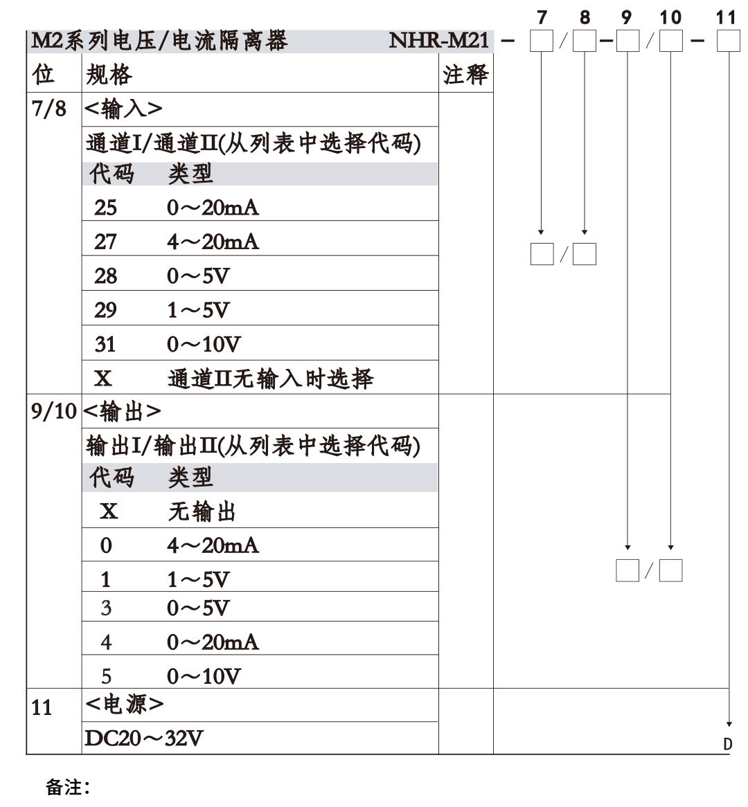
NHR-M21系列电压/电流隔离器
NHR-M21系列电压/电流隔离器将直流电压或电流信号经过隔离传送,转换成所需的信号给其它仪表。可以与单元组合仪表及DCS、PLC等系统配套使用,给予现场仪表信号隔离、信号转换、信号分配、信号处理等,从而提高工业生产过程自动控制系统的抗干扰能力,保证系统的稳定性和可靠性。
010-82102372
hrbj@hrgs.com.cn