Company Profile
Company Overview
Intelligent Manufacturing
Company Culture
National Standards
Intellectual Property
Honors
Qualifications
Academician Workstation
Contact Us
简体中文
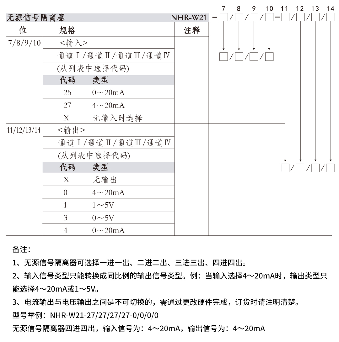
NHR-W21系列无源信号隔离器
NHR-W21系列无源信号隔离器无源信号隔离器无需外供电源,由输入回路供电,实现信号隔离。可以与各种工业传感器、现场仪表配合,取回参数信号,隔离变送传输,满足用户本地监视远程数据的需求。本产品品种分为一进一出、两进两出、三进三出、四进四出,且输入、输出磁隔离。
010-82102372
hrbj@hrgs.com.cn