Company Profile
Company Overview
Intelligent Manufacturing
Company Culture
National Standards
Intellectual Property
Honors
Qualifications
Academician Workstation
Contact Us
简体中文
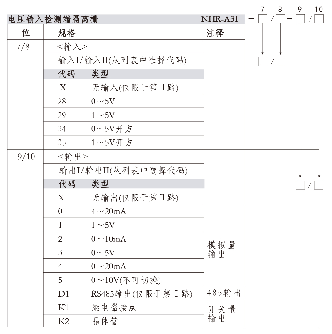
NHR-A31系列电压输入检测端隔离栅
NHR-A31系列电压输入检测端隔离栅将来自危险区的电压信号转换成电压、电流、RS485信号或开关量信号,从危险区隔离传送到安全区,该产品需独立供电,输入/输出/电源三隔离。可用在电压信号输出设备。
010-82102372
hrbj@hrgs.com.cn