Company Profile
Company Overview
Intelligent Manufacturing
Company Culture
National Standards
Intellectual Property
Honors
Qualifications
Academician Workstation
Contact Us
简体中文
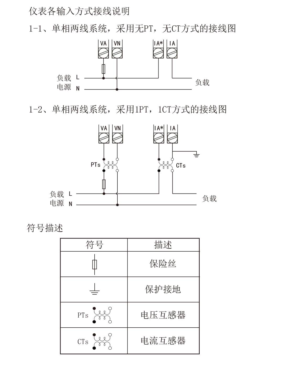
NHR-D13系列单相LED显示智能电量变送器
NHR-D13系列单相LED显示智能电量变送器是一款高性价比的智能电参数变送器,采用大规模集成电路,以低功耗的微处理器为核心,带五位LED数码显示及报警指示灯指示,配备按键操作更加方便。
010-82102372
hrbj@hrgs.com.cn